Ball Valves

Ball Valves

Eurotorc Model EV201

Two Piece Full Port Stainless Steel Ball Valve

  • Pipe thread in accordance: NPT,BSPT,DIN259,DIN2999,ISO228 Class A
  • Blow-out proof stem/full port
  • Investment casting body
  • 1000PSI W.O.G
  • Locking device

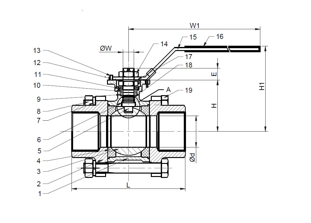
Eurotorc Model EV303

Three Piece Stainless Steel Full Bore Ball Valve

  • Body thickness to EN12516-3
  • Pipe thread in accordance: NPT,BSPT,DIN259,DIN2999,ISO228 Class A
  • Face to face:DIN-3202-M2
  • Blow-out proof stem/full port
  • Investment casting body

Eurotorc Model EV216/EV240

Stainless Steel Full Bore Ball Valve Flanged

  • Full port
  • ISO5211 mounting pad
  • Lever operated / locking device
  • End flange: DIN2543-2545
  • Face to face: DIN 3230/3, EN12266
Ball Valves
Ball Valves

Download Eurotorc Ball Valve Information

Please download a copy of the Eurotorc Ball Valve Information. Please contact us for more information on this product.